Welcome to MDSH Enterprises LLC
Our Primary Mission and Main Enterprise is in Providing Consulting Services for PCB Layout and CAD Design (See below)
Our Primary Mission and Main Enterprise is in Providing Consulting Services for PCB Layout and CAD Design (See below)
Our Primary Enterprise is to provide excellent assistance for PCB layout, Schematic capture, CAD Drawing and anything else needed to update old products or help create new prototypes.
We are proud to announce we have added a new Enterprise to our company. We are now publishing Novels and other books for M. A. Gilbertson. We can also assist you if you want to publish a book.
MDSH Enterprises LLC: FAQs, Additional Services and Information: New Enterprises to be added will be found here in the future. If you need more information about us or any of our Enterprises, please contact us by email.
From time to time, we may offer discounts or special offers on our services.
Any company news will be found here. New software; New services; New book releases, and future timetable for books to be published.
Links to Websites selling our books.

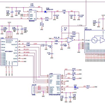
At our company, we work with our clients to turn electronic concepts into schematic circuit diagrams. We can also help take the customer's exiting Schematics and make changes or create net-lists. We work closely with our clients throughout our process to ensure that the design meets their needs. We are committed to providing accurate, det
At our company, we work with our clients to turn electronic concepts into schematic circuit diagrams. We can also help take the customer's exiting Schematics and make changes or create net-lists. We work closely with our clients throughout our process to ensure that the design meets their needs. We are committed to providing accurate, detailed designs for prototyping or introduce changes to existing designs.

Once we have a finished schematic that has been approved by our client, we can bring in a net-list to create a PCB layout.
If the customer already has a PCB Design to make changes to, we can do this also. We will perform multiple design checks during the design process to assure the design is correct. When the design is finished and approv
Once we have a finished schematic that has been approved by our client, we can bring in a net-list to create a PCB layout.
If the customer already has a PCB Design to make changes to, we can do this also. We will perform multiple design checks during the design process to assure the design is correct. When the design is finished and approved by the customer we will furnish them with the gerber data files to fabricate the board to the client's specifications. If needed we can recommend a board fabrication house or have the boards fabricated for the customer.

Once the raw board as been fabricated, you will need documentation to assembly the finished rhe prototype or product. We can assist in creating Assembly prints and procedures. We can make the BOM (Bill Of Materials), assist in part pricing or purchasing recommendations, create custom part data sheets, fabrication prints, and more.

We use several excellent design software platforms including:
Mentor Graphics PADs Logic
Cadence OrCAD Capture

We use several excellent design software platforms for PC Board layout including:
Mentor Graphics PADs Layout
Cadence OrCAD PCB Editor, and others.

IWe use several excellent software platforms including:
Assembly prints & Mechanical Drawings Autodesk AutoCAD, Inventor, etc.
Solidworks
We also use Adobe and MS Office for BOMs Fabication Instructions, Data Sheets, and other Specifcation Sheets, etc.
Consult with us for information about any of our services.
We look forward to working with you.